Design Source India is leading the position of solar design and drafting services. At Design Source India there are many highly skilled mechanical designers and Architect who take care of all the solar designs services and client requirements. We provide very fast services according to client need. We make sure that our client gets the best quality and technically correct drawings. In our organization there are ample staff to take care of all of the solar permit requirements and developing the fastest solar drawings according to local authority having jurisdiction (AHJ).
We produce solar plans ready for permitting that conform to local, state, and national electrical codes. We specialize in solar design and permitting in Los Angeles, Orange, and San Diego County, and have successfully permitted hundreds of projects in over two dozen jurisdictions. We have designed and permitted both roof-mounted and ground-mounted residential, battery backup, and commercial solar projects.
Cover Page
Roof Plan & PV Layouts
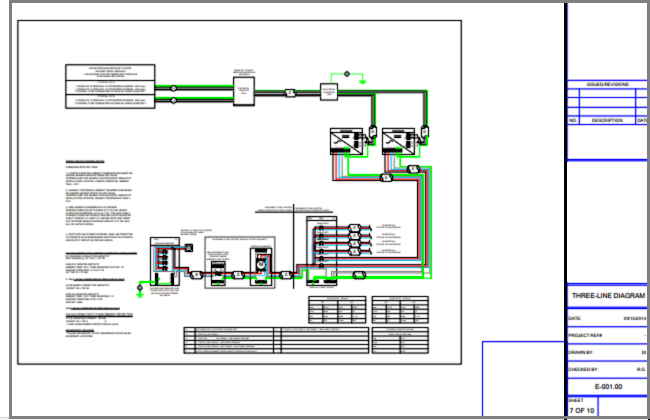
Wiring Digram
Mounting Method
Wire Calculation
Placards
Additional follow up additional plan information or corrections as required AHJ (Authority having jurisdiction (Usually Local Building Department). The basic permit document service does NOT include engineering or structural wet stamp if required. (See Below)